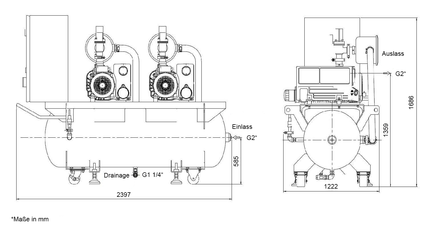
CVS1000 - 2XSV200 FF

产品号 504313V053
名义抽速(50 Hz): 360 m3/h
真空泵数量: 2
登录后查看价格

CVS1000 - 2XSV200 FF

SOGEVAC中央真空站满足了众多小型真空用户的需求,增加了真空服务的可用性,提供了在具有挑战性的生产条件下取得成功的关键性能和可靠性。 

CVS是即插即用解决方案,通常由多达3个SOGEVAC泵,缓冲罐,手动或电动阀,泵入口处的防尘过滤器,压力表和控制器,带控制器的电气柜和所有连接组件组成。这些模块化系统可以根据工艺要求提供1到3个泵。它们防止生产区域的油污排放和噪音,提供更好的工作条件。


类似产品

Welcome to Leybold Welcome to Leybold

請選擇你的國家 Please select your country.

Ihr Land ist nicht dabei? Besuchen Sie unseren globalen Shop. Your country is not listed? Visit our global shop.

在线留言
亲爱的用户,

我们总是期望能够为您提供最好的服务和最优的品质,但是,却又不能阻止产品相关问题的发生。为了帮助您解决产品的相关问题,我们制作了一份申请表,它可以使您以最便捷的方式联系到我们, 如需获得申请表,请使用如下链接.

如果遇到关于我们网上商店的一些常见问题, 请阅读

敬上
您的莱宝团队

请留下您的需求和联系信息